6,38 kr
5,11 kr
0,10 kr
0,08 kr
Løbekat 70 til hængeport 2 stålruller og 1 af plast - smal base
produkt utilgængeligt
tilføj til ønskeliste
Beskrivelse
Løbehjul 70 til hængende port – 2 stålruller + 1 af plast
Løbehjul 70 er et robust og præcist fremstillet element til skydeportsystemer, beregnet til brug med skinner i 70×70 mm-udførelse. Udstyret med to stålruller og én plasticrulle sikrer det en jævn og lydsvag bevægelse af den hængende port – uden unødvendig friktion og modstand. Den smalle monteringsbasis letter installationen selv i begrænsede pladser.

Konstruktion og materialer
Løbehjulets korpus er fremstillet af stål med zinkbelægning, der effektivt beskytter mod korrosion. Løbehjulet er derfor egnet til brug både indendørs og udendørs – under forhold med fugt og skiftende vejrforhold. Rullerne er monteret på kuglelejer, hvilket sikrer langvarig og driftssikker brug med minimal rullemodstand.
Kombinationen af to stålruller (bærende) og én plasticrulle (styrende) minimerer støj under mekanismens drift og reducerer friktionen, hvilket øger komforten ved brug af porten. Denne løsning er særligt velegnet i erhvervsbygninger og haller, hvor lydsvag drift er vigtig.

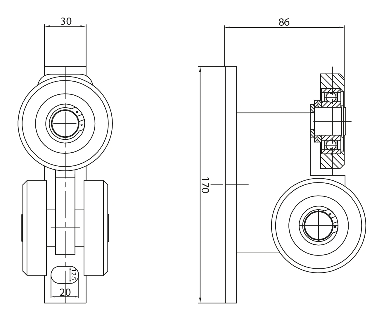
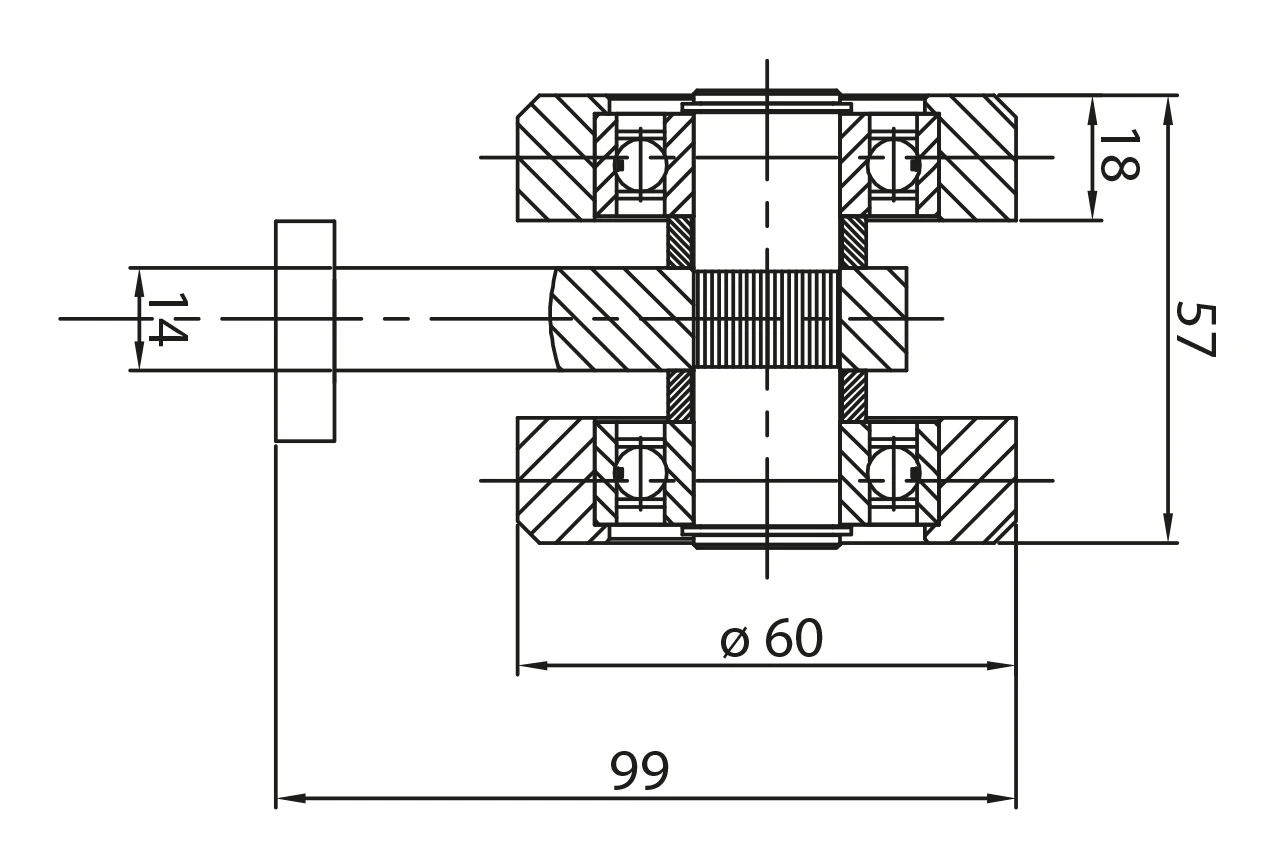
Mål og tekniske specifikationer
- Skinnesystem: 70×70 mm
- Monteringspladens højde (L): 170 mm
- Udstik fra plade til yderste punkt på øverste rulle: 86 mm
- Samlet højde (H): 99 mm
- Bredde på øverste rullebeslag: 30 mm
- Langhuller i basis: 20 × 12,5 mm
- Diameter på nedre ruller (bærende): ø 60 mm
- Bredde på to nedre ruller samlet: 57 mm
- Bredde på enkelt nedre rulle: 18 mm
- Monteringspladens tykkelse: 14 mm
- Vægt: 1,88 kg
- Ruller: 2 af stål + 1 af plast
- Lejer: kuglelejer
- Korrosionsbeskyttelse: forzinkning
- EAN: 5901289670036

Fordele for installatøren
- Smal monteringsbasis med langhulsåbninger muliggør præcis justering og sikker fastgørelse
- Forzinket overflade eliminerer behovet for yderligere korrosionsbeskyttelse – klar til montering med det samme
- Lydsvag drift takket være kombinationen af stålruller og plasticrulle – færre reklamationer fra slutbrugere
- Kuglelejer sikrer lav rullemodstand og lang levetid uden hyppig vedligeholdelse
- Universel anvendelse – indendørs og udendørs, i industribygninger, lagerhaller og driftsbygninger
Ładowanie tabeli porównawczej...
Ładowanie galerii...
Tekniske data
| Antal ruller [szt.] | 3 |
| Vognkonstruktion | Fast |
| Hjulmateriale | Stål |
| Løbeskinne størrelse | 70x70x4 |
| Produkttype | Enkelt vogn |
| Type løbesystem | Hængesystem |
Sikkerhed
Alle anmeldelser (positive og negative) vises, og antallet af anmeldelser på platformen er begrænset. Vi kontrollerer, at de er fra kunder, der har købt produktet. Du kan finde flere oplysninger på vores side Politik for tilbagemeldinger.